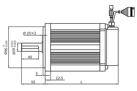
| 電機型號 | L(mm) | L2(mm) |
| 110WD-M020XX-XXV | 144.5 | |
| 110WD-M040XX-XXV | 169 | 199 |
| 110WD-M060XX-XXV | 199 | 229 |
| 110WD-M020XXB-XXV | 227 | |
| 110WD-M040XXB-XXV | 251.5 | |
| 110WD-M060XXB-XXV | 281.5 |

| DC24V | DC48V | |||||||
| 電機型號 | 110WD-M02030-24V | 110WD-M04030-24V | 110WD-M06020-24V | 110WD-M09015-24V | 110WD-口02030-48V | 110WD-口04030-48V | 110WD-口06030-48V | 110WD-口09025-48V |
| 額定功率(KW) | 0.6 | 1.2 | 1.2 | 1.4 | 0.6 | 1.2 | 1.8 | 2.4 |
| 額定電流(A) | 31.3 | 62.5 | 62.5 | 72.9 | 14.7 | 29.4 | 44.1 | 58.8 |
| 額定轉速(rpm) | 3000 | 3000 | 2000 | 1500 | 3000 | 3000 | 3000 | 2500 |
| 轉速高至(rpm) | 3600 | 3600 | 2400 | 1800 | 3600 | 3600 | 3600 | 3000 |
| 額定扭矩(Nm) | 2 | 4 | 6 | 9 | 2 | 4 | 6 | 9 |
| 峰值扭矩(Nm) | 6 | 12 | 18 | 27 | 6 | 12 | 18 | 27 |
| 轉子慣量(kg.cm2) | 3.1 | 5.4 | 7.6 | 10.8 | 3.1 | 5.4 | 7.6 | 10.8 |
| 機械時間常數(ms) | 15.4 | 19.2 | 23.0 | 28.8 | 13.4 | 16.8 | 20.2 | 25.2 |
| DC72V | ||||
| 電機型號 | 110WD-M02030-72V | 110WD-M04030-72V | 110WD-M06030-72V | 110WD-M09030-72V |
| 額定功率(KW) | 0.6 | 1.2 | 1.8 | 2.7 |
| 額定電流(A) | 9.8 | 19.6 | 29.4 | 44.1 |
| 額定轉速(rpm) | 3000 | 3000 | 2000 | 1500 |
| 轉速高至(rpm) | 3600 | 3600 | 2400 | 1800 |
| 額定扭矩(Nm) | 2 | 4 | 6 | 9 |
| 峰值扭矩(Nm) | 6 | 12 | 18 | 27 |
| 轉子慣量(kg.cm2) | 3.1 | 5.4 | 7.6 | 10.8 |
| 機械時間常數(ms) | 9.6 | 12.0 | 14.4 | 18.0 |
注:電機接口、電壓、轉速可按客戶要求定制

| 代號說明 | ||
| ① | 機座號、電機外徑 | 單位:mm |
| ② | 電機類型 | WD表示電機為直流無刷電機 |
| ③ | 反饋元件規格 | M表示有霍爾傳感器/N表示無霍爾傳感器 |
| ④ | 額定轉矩 | 表示電機額定轉矩,其值為三位X0.1單位Nm |
| ⑤ | 額定轉速 | 表示電機額定轉速,其值為兩位X100單位rpm |
| ⑥ | 失電制動器代號 | B表示帶失電制動器,缺省表示不帶失電制動器 |
| ⑦ | 電壓等級 | 表示電機額定電壓,包括DC24V、DC48V、DC72V、DC96V、DC310V等 |
| ⑧ | 定制特征 | 客戶定制代號 |
咨詢熱線
0519-86163212